Die Rückschlagklappe hat dichte Ausführung nach der Norm ÖN M 6027. Die Flügelklappe wird aus Rahmen und Silikonmembran gebildet. Die Klappe eignet sich für die Installation in vertikale oder horizontale Lage. Die Montage wird durch den Einschub in das Rohr realisiert. Die Klappe enthält die Dichtung für die Befestigung und Fixation in Rohr.
• Anwendung in Rundrohr
• Ausführung mit Magnet
• hergestellt aus Kunststoff
• Installation vorrangig in vertikaler Lage
Montage
Es ist notwendig, sich die Luftströmung bewusst zu werden. Die Rückschlagklappe muss demontiert werden und für den Service und Bedienung zugänglich sein. Die Achse der Rückschlagklappe muss immer in horizontaler Lage sein. Die Teildrehung der Achse verhindert richtiges Funktionieren. Legen Sie die Rückschlagklappe RSKW 160 in Rohr senkrecht, max. 0°– 5° gegen Richtung der Luftströmung Für die Sicherstellung von einfacheren Service ist es empfohlen, die Klappe in das Revisionsstück RD - Instabox zu montieren.
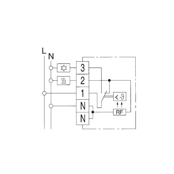
RTR 6721 Raumthermostat
Hersteller: Soler & Palau
Eigenschaften
| Abmessungen | 71 x 71 x 30 (HxBxT) mm | |
| Spannung | 230 V | |
| Strom | 3 A |
Zum Herunterladen
-
- RTR 6721 - Betriebsanleitung ( 342.67 KB) Herunterladen
Empfehlungen für Sie
Im Warenkorb
Im Warenkorb
Im Warenkorb
Im Warenkorb
Im Warenkorb
Im Warenkorb
Im Warenkorb
Im Warenkorb
Im Warenkorb
Im Warenkorb
Im Warenkorb
Im Warenkorb