Selbsttätige Überdruckjalousie für vertikale Montage an die Außenwand. Sie hat profilierte Lamellen und arbeitet sehr gut auch bei niedrigen Luftgeschwindigkeiten. Die Höchstluftgeschwindigkeit ist 12 m/s. Die Überdruckjalousie wird aus einem stoßfesten Nylonmaterial hergestellt, das gegen Witterungseinflüsse und UV-Strahlung beständig ist. Die Überdruckjalousien werden sehr einfach montiert, Schrauben und Dübel sind beigefügt.
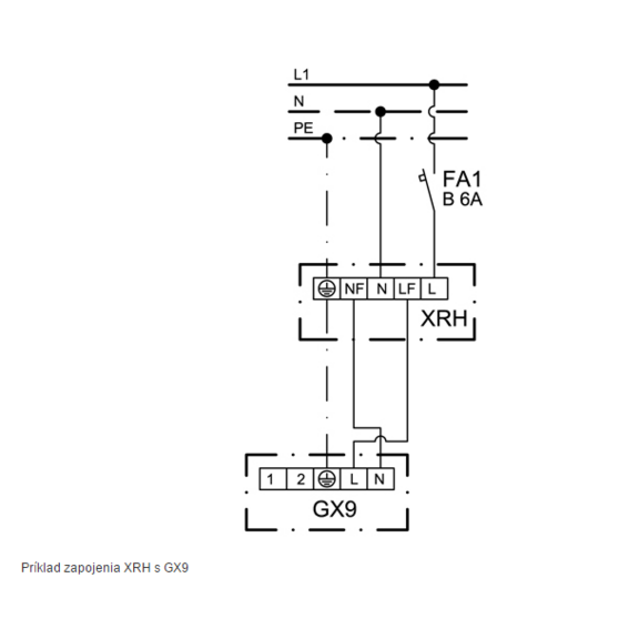
XRH - einstellbarer Feuchtigkeitssensor
Hersteller: Applied Energy
- automatische Einschaltung des Ventilators bei Überschreitung von eingestellter Werte der relativen Feuchtigkeit
- Automatische Abschaltung des Ventilators bei Rückgang der relativen Feuchtigkeit unter eingestelltem Niveau
- Einschaltung und Abschaltung durch Zugstange (Schnur)
- LED Kontrollleuchte von Lauf des Ventilators
- Oberflächen- oder versenkte Montage
Geeignet für Ventilatoren: DX100, DX180 Premier, DX200 Premier, DX400 Premier, CMF, GX6, GX9, GX12, WX6, WX9, WX12
Eigenschaften
| Abmessungen | 86 x 160 x 45 (HxBxT) mm | |
| Spannung | 220-240 V | |
| Frequenz | 50 Hz | |
| Strom | 2 A | |
| Max. Umgebungstemperatur | do 40 °C |
Empfehlungen für Sie
Im Warenkorb
Im Warenkorb
Im Warenkorb
Im Warenkorb
Im Warenkorb
Im Warenkorb
Im Warenkorb
Im Warenkorb
Im Warenkorb
Im Warenkorb