Die Rückschlagklappe hat dichte Ausführung nach der Norm ÖN M 6027. Die Flügelklappe wird aus Rahmen und Silikonmembran gebildet. Die Klappe eignet sich für die Installation in vertikale oder horizontale Lage. Die Montage wird durch den Einschub in das Rohr realisiert. Die Klappe enthält die Dichtung für die Befestigung und Fixation in Rohr.
• Anwendung in Rundrohr
• Ausführung mit Magnet
• hergestellt aus Kunststoff
• Installation vorrangig in vertikaler Lage
Montage
Es ist notwendig, sich die Luftströmung bewusst zu werden. Die Rückschlagklappe muss demontiert werden und für den Service und Bedienung zugänglich sein. Die Achse der Rückschlagklappe muss immer in horizontaler Lage sein. Die Teildrehung der Achse verhindert richtiges Funktionieren. Legen Sie die Rückschlagklappe RSKW 200 ED in Rohr senkrecht, max. 0°– 5° gegen Richtung der Luftströmung. Für die Sicherstellung von einfacheren Service ist es empfohlen, die Klappe in das Revisionsstück RD - Instabox zu montieren.
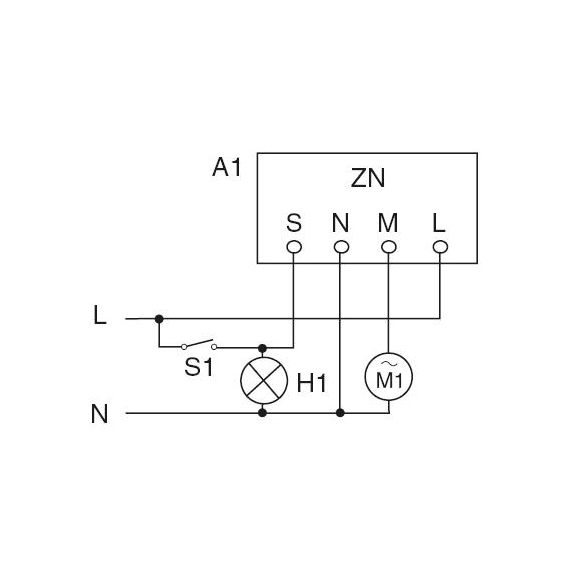
ZN 715 Zeitrelais
ZN 715 ist ein Gerät, das für die Abschaltverzögerung von Axial- und Radialventilatoren bestimmt ist. Die Dauer der Nachlaufzeit ist fest bestimmt auf circa 15 min. (± 1 min). Der Einschalter wird durch den Schalter von Innenraumbeleuchtung oder durch den Knopf gesteuert.
Technische Parameter:
• fest eingestellte Zeit
• er ist in einem Plastikgehäuse integriert, das unter Schalter platziert werden kann
• Nachlaufintervall Typ 708 – 7±1 Minute (geeignet für WC)
• Nachlaufintervall Typ 715 – 15±1 Minute (geeignet für Badezimmer)
Eigenschaften
| Spannung | 230/50 V/Hz | |
| Abmessungen | 40 x 20 x 13 (HxBxT) mm | |
| Strom | 0,8 A | |
| Schutzart, Motor | IP20 | |
| Max. Umgebungstemperatur | 0-50 °C |
Zum Herunterladen
-
- ZN 715 - Betriebsanleitung ( 268.88 KB) Herunterladen